Скидка постоянным клиентам 5% Получить
ABF

Вентилятор потолочный ABF MP-1 в интернет-магазине «ВЕНТФОМ». Заказать с доставкой! Тел.: +7 (925) 201-33-89.

Вентилятор потолочный ABF MP-1

Вентилятор потолочный ABF MP-1
Вентилятор потолочный ABF MP-1
Вентилятор потолочный ABF MP-1
Вентилятор потолочный ABF MP-1
Вентилятор потолочный ABF MP-1
Вентилятор потолочный ABF MP-1
Вентилятор потолочный ABF MP-1
Вентилятор потолочный ABF MP-1
Вентилятор потолочный ABF MP-1
Вентилятор потолочный ABF MP-1
Вентилятор потолочный ABF MP-1
Вентилятор потолочный ABF MP-1
Вентилятор потолочный ABF MP-1
Вентилятор потолочный ABF MP-1
Артикул: MP1
В наличии
7 324 руб.
Доставка в Мегион
До ПВЗ: от 910 руб., 2 - 3 дня
Доставка до двери: от 1060 руб., 2 - 3 дня
1 пункт выдачи в Мегионе Подробнее
Бренд: ABF

- Диаметр крыльчатки: 1400 мм

- Число лопастей: 3 шт

- Напряжение/частота: 1-, 230 В/50 Гц

- Потребление тока: 0.30 А

- Потребляемая мощность: 90 Вт

- Высота установки мин/макс: 560 мм

- Максимальная производительность: 13800 м3/ч

- Особенности: Система подавления раскачивания, возможность установки регулятора скорости

- Вес: 6.8 кг

- Страна производства: Россия

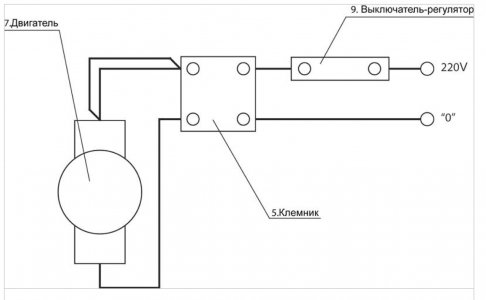
Потолочный вентилятор МР-1

Потолочные вентиляторы МР-1 относятся к классу осевых потолочных вентиляторов. Предназначены для снижения температуры воздуха или смешивания слоев воздуха.

Потолочные вентиляторы МР-1 представляют собой устройство, состоящие из двигателя, лопастей, приспособления для крепления на потолке, верхней и нижней декоративных чашек – закрывающих технологические конструкции, регулятора скорости и стойки.

 

Несложное устройство вентилятора позволяет осуществлять самостоятельный монтаж оборудования. Вентиляторы МР-1 оснащены двигателями с внешним ротором. Стальные лопасти окрашиваются порошковой краской в белый цвет.

 

Потолочный вентилятор МР-1 – промышленный вентилятор, диаметр его лопастей равен 140 см. Комплектуются вентиляторы трехступенчатыми регуляторами скорости, поэтому пользователю легко выбрать ту скорость работы вентилятора, которая необходима в конкретный момент времени. Потолочные вентиляторы МР-1 поставляются в индивидуальных упаковках.

 

Производитель рекомендует применение потолочных вентиляторов МР-1 в следующих типах помещений:

  • Торговые площади (магазины)

  • Офисные пространства

  • Складские помещения

  • Теплицы

  • Административные здания (банки, налоговые инспекции, МФЦ и др. где наблюдается большой скопление людей)

Также следует помнить, что в соответствии со строительными нормами и правилами (СНиП 2.09.04-87*) в разделе №4 (отопление, вентиляция и кондиционирование воздуха) имеется следующее требование: «В районах с расчетной температурой наружного воздуха в теплый период года выше 25 °С (параметр А) в помещениях с постоянным пребыванием людей следует предусматривать установку потолочных вентиляторов для повышения скорости движения воздуха до 0,3 - 0,5 м/с.»

Диаметр:1400
Производитель:ABF
Таймер:Нет
Цвет:Белый
Тип:Потолочный
Обратный клапан:Нет
Мощность:90 Вт
Страна производства:Россия
Объём расхода воздуха:13001-30000 куб. м/час
Производительность:13810 куб. м/час
Напряжение:220
Размеры:660x240x220
Вес:7.0

Авторизуйтесь, чтобы оставить отзыв:

Для улучшения работы мы можем собирать данные, используя cookies и сервис Яндекс.Метрика. Это соответствует политике в отношении персональных данных. Продолжая работу на сайте вы даёте согласие на обработку персональных данных. Файлы cookie можно отключить в настройках Вашего браузера.

//}
Заказ в WhatsApp